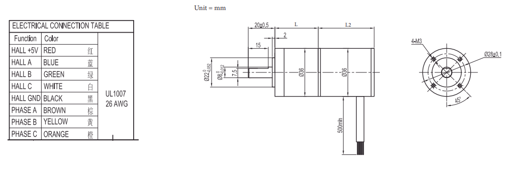
| 繞線接法 | Winding Type | Star |
| 霍爾角度 | Hall effect angle | 120° Electrical angle |
| 絕緣等級 | Insulation Class | B |
| 環境溫度 | Ambient Temperature | -20℃~+50℃ |
| 絕緣電阻 | Insulation Resistance | 100MΩ Min.500 VDC |
| 絕緣強度 | Dielectric Strength | 600VAC 1 minute |
|
電機 型號 |
減速比 | 減速箱直徑 | 極數 | 相數 |
額定 電壓 (VDC) |
額定 轉矩 (N.M) |
額定 轉速 (RPM) |
額定 電流 (Amps) |
輸出 功率 (Watts) |
減速箱高度 (mm) |
電機高度 (mm) |
總重量 (KG) |
|---|---|---|---|---|---|---|---|---|---|---|---|---|
| 36BLY01A-001AG76 | 1/76 | 36 | 4 | 3 | 24 | 1.5 | 94 | 2.5 | 15 | 41.9 | 42.1 | 0.40 |
| 行星齒輪箱36mm | |||
|---|---|---|---|
| 減速比 | 瞬間允許負載(Nm) | 長度(mm) | 減速比級數 |
| 1/4 | 1.0 | 24.8 | 1 |
| 1/5 | |||
| 1/16 | 3.5 | 32.4 | 2 |
| 1/20 | |||
| 1/25 | |||
| 1/53 | 7.5 | 41.9 | 3 |
| 1/62 | |||
| 1/76 | |||
| 1/94 | |||
| 1/117 | |||
| 行星齒輪箱36mm分體式 | |||
| 減速比 | 瞬間允許負載(Nm) | 長度(mm) | 減速比級數 |
| 1/3.7 | 4 | 28 | 1 |
| 1/5.18 | |||
| 1/13.76 | 5 | 35.5 | 2 |
| 1/19.22 | |||
| 1/26.83 | |||
| 1/51 | 6 | 43 | 3 |
| 1/71.3 | |||
| 1/100 | |||
| 1/139 | |||
| 行星齒輪箱36鋅合金款 | |||
| 減速比 | 瞬間允許負載(Nm) | 長度(mm) | 減速比級數 |
| 1/12 | 1.0 | 26.8 | 1 |
